Get in touch with Qilida
YDJ oil-immersed test transformer
The YD series oil-immersed test transformer is a new type of product manufactured based on the Ministry of Machinery and Electronics Industry’s standard for “Oil-Immersed Test Transformers,” with numerous improvements over previous similar products. This series features small size, light weight, compact structure, complete functions, strong versatility, and ease of use. It is particularly suitable for power systems, industrial and mining enterprises, and research departments to conduct insulation strength tests on various high-voltage electrical equipment, electrical components, and insulating materials under power frequency or DC high voltage. It is an indispensable and important piece of equipment in high-voltage testing.
Product Structure
The YD series oil-immersed test transformer adopts a single-frame core structure. The primary winding is wound on the core, while the high-voltage winding is on the outside. This coaxial arrangement reduces leakage flux, thus increasing the coupling between the windings. The outer casing is made into an octagonal structure that fits well with the core, resulting in an aesthetically pleasing overall appearance.

Working Principle
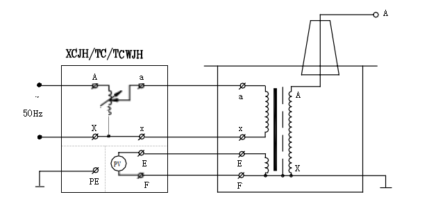
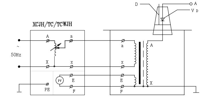
The YDJ series oil-immersed test transformer is a single-phase transformer. Connection group I.I. uses a 220V (380V for 10kVA and above) power supply connected to the XC/TC series operating box (a dedicated device for oil-immersed test transformers manufactured by our company; please refer to its specific instruction manual for details). The voltage is adjusted to 0-200V (or 0-400V) by the autotransformer (external for 50kVA and above) within the operating box and output to the primary winding of the YDJ oil-immersed test transformer. Based on the principle of electromagnetic induction, the high voltage required for the test can be obtained in the high-voltage winding of the oil-immersed test transformer.
1. Working principle diagram of a single YDJ high-pressure tester

2. Working principle diagram of a single YDJZ oil-immersed test transformer

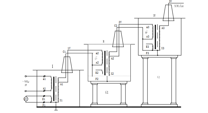
3. Schematic diagram of the connection principle for obtaining higher voltage by cascading three oil-immersed test transformers.

Precautions
- Connect the working circuit according to the test you are conducting. The casing of the oil-immersed test transformer and the casing of the operating system must be reliably grounded. The X terminal (high voltage tail) of the high-voltage winding and the F terminal of the measuring winding of the test transformer must be reliably grounded.
- When performing a cascade test, the X terminal of the low-voltage winding of the second and third stage oil-immersed test transformers, the F terminal of the measuring winding, and the X terminal (high voltage terminal) of the high-voltage winding should all be connected to the casing of the corresponding stage oil-immersed test transformer. The casings of the second and third stage oil-immersed test transformers must be grounded through an insulating support.
- Before connecting the power supply, the voltage regulator of the operating system must be adjusted to the zero position before connecting the power supply, closing the switch, and starting the voltage increase.
- Start from zero and rotate the voltage regulator handwheel at a constant speed to increase the voltage. The voltage increase methods are: rapid voltage increase method (20s step-by-step increase); slow voltage increase method (60s step-by-step increase); and extremely slow voltage increase method are available for selection.
- The voltage should be increased from zero to 75% of the required rated test voltage according to a specific method and rate. Then, increase the voltage to the required test voltage at a rate of 2% of the rated test voltage per second, while closely monitoring the measuring instruments and the condition of the test specimen. If any abnormalities are found in the measuring instrument readings or the condition of the test specimen during the voltage increase or test, immediately reduce the voltage, disconnect the power supply, and investigate the situation.
- After the test, the voltage regulator should be returned to the zero position at a uniform speed within a few seconds, and then the power supply should be disconnected.
- This product must not be used beyond its rated parameters. Except for testing purposes, the voltage should never be turned on or off. When using this product for high-voltage testing, in addition to being familiar with this instruction manual, you must strictly follow relevant national standards and operating procedures. Refer to GB311.1-97 “Insulation Coordination and High-Voltage Testing Technology for High-Voltage Transmission and Transformation Equipment” and “Preventive Testing Procedures for Electrical Equipment,” etc.




